你的位置:網站首頁 >> 閥門知識 >> 2BV系列液環式真空泵外形尺寸
2BV系列液環式真空泵外形尺寸
時間:2013-6-13 來源:揚子江泵業 瀏覽數:697
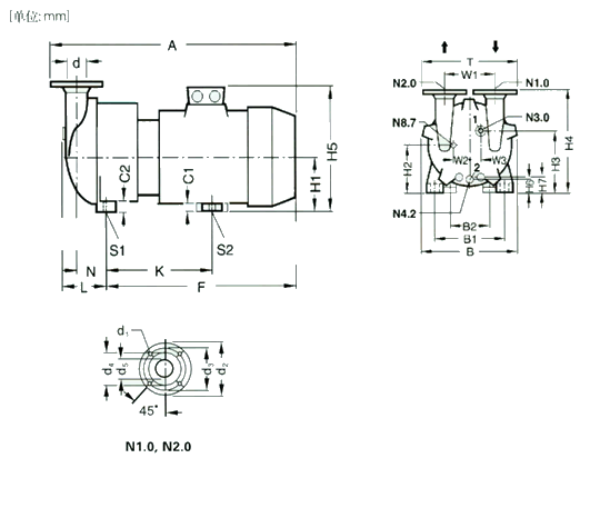
2BV2液環泵外形尺寸

|
型號
|
A
|
B
|
B1
|
E
|
H1
|
H2
|
H3
|
H4
|
H6
|
M
|
P2
|
|
2BV2060
|
455
|
186
|
140
|
100
|
90
|
118
|
126
|
195
|
37.5
|
244
|
250
|
|
2BV2061
|
476
|
186
|
140
|
100
|
90
|
118
|
126
|
195
|
37.5
|
263
|
250
|
|
2BV2070
|
545
|
223
|
160
|
140
|
100
|
128
|
146
|
222
|
33
|
280
|
270
|
|
2BV2071
|
566
|
223
|
190
|
140
|
112
|
140
|
158
|
234
|
45
|
309
|
300
|
|
型號
|
P3
|
R
|
S2
|
W1
|
W2
|
W3
|
d
|
N3.0
|
N4.2
|
N8.7
|
|
|
2BV2060
|
180
|
217
|
φ10
|
110
|
25.5
|
21
|
G1"
|
G3/8"
|
G1/4"
|
G3/8"
|
|
|
2BV2061
|
180
|
236
|
φ10
|
110
|
25.5
|
21
|
G1"
|
G3/8"
|
G1/4"
|
G3/8"
|
|
|
2BV2070
|
203
|
252
|
φ12
|
110
|
33
|
27
|
G11/2"
|
G3/8"
|
G1/4"
|
G3/8"
|
|
|
2BV2071
|
225
|
278
|
φ12
|
110
|
33
|
27
|
G11/2"
|
G3/8"
|
G1/4"
|
G3/8"
|
|
2BV5液環泵外形尺寸

|
型號
|
A
|
B
|
B1
|
B2
|
C1
|
C2
|
H1
|
H2
|
H3
|
H4
|
H5
|
|
2BV5110
|
637
|
325
|
255
|
190
|
41
|
26
|
140
|
156
|
202
|
361
|
328
|
|
2BV5111
|
679
|
325
|
265
|
216
|
36
|
26
|
150
|
166
|
212
|
371
|
363
|
|
2BV5121
|
771
|
347
|
265
|
216
|
36
|
26
|
150
|
167
|
217
|
385
|
363
|
|
2BV5131
|
852
|
377
|
300
|
254
|
35
|
30
|
175
|
194
|
249
|
427
|
435
|
|
2BV5161
|
1044
|
479
|
370
|
370
|
30
|
30
|
210
|
225
|
303
|
521
|
485
|
|
型號
|
H6
|
H7
|
K
|
L
|
F
|
N
|
S1
|
S2
|
T
|
d1
|
d2
|
|
2BV5110
|
38
|
57
|
342
|
130
|
464
|
92
|
φ12
|
φ12
|
340
|
19
|
160
|
|
2BV5111
|
48
|
68
|
348
|
130
|
500
|
92
|
φ12
|
φ12
|
340
|
19
|
160
|
|
2BV5121
|
39
|
60
|
430
|
147
|
584
|
97
|
φ12
|
φ12
|
381.5
|
19
|
182
|
|
2BV5131
|
53
|
76
|
477.5
|
147
|
658.5
|
103
|
φ15
|
φ15
|
381.5
|
19
|
182
|
|
2BV5161
|
51
|
80
|
625
|
201
|
808
|
138
|
φ15
|
φ15
|
450
|
22
|
200
|
|
型號
|
d3
|
d4
|
d5
|
W1
|
W2
|
W3
|
d
|
N3.0
|
N4.2
|
N8.7
|
|
|
2BV5110
|
123
|
97
|
52
|
180
|
52
|
27
|
DN50
|
G3/4"
|
G3/8"
|
G3/8"
|
|
|
2BV5111
|
123
|
97
|
52
|
180
|
52
|
27
|
DN50
|
G3/4"
|
G3/8"
|
G3/8"
|
|
|
2BV5121
|
142
|
113
|
66.5
|
200
|
57
|
29
|
DN65
|
G3/4"
|
G3/8"
|
G3/8"
|
|
|
2BV5131
|
142
|
113
|
66.5
|
200
|
57
|
29
|
DN65
|
G3/4"
|
G3/8"
|
G3/8"
|
|
|
2BV5161
|
156
|
130
|
80
|
250
|
81
|
41
|
DN80
|
G3/4"
|
G3/8"
|
G3/8"
|
|
2BV6液環泵外形尺寸

|
型號
|
Amax
|
B
|
B1
|
C1
|
F1
|
F2max
|
H1
|
H2
|
H3
|
H4
|
K
|
L
|
N
|
W1
|
|
2BV6110
|
1190
|
325
|
255
|
26
|
291
|
450
|
160
|
173
|
223
|
381
|
250
|
319
|
281
|
180
|
|
2BV6111
|
1237
|
325
|
279
|
26
|
360
|
470
|
180
|
196
|
242
|
401
|
320
|
365
|
327
|
180
|
|
2BV6121
|
1368
|
347
|
279
|
26
|
360
|
575
|
180
|
197
|
247
|
415
|
320
|
384
|
342
|
200
|
|
2BV6131
|
1495
|
377
|
320
|
26
|
461
|
585
|
215
|
234
|
287
|
467
|
414
|
405
|
357
|
200
|
|
2BV6161
|
1625
|
479
|
370
|
26
|
461
|
640
|
215
|
230
|
310
|
526
|
414
|
480
|
416
|
250
|
|
型號
|
W2
|
W3
|
S1
|
T
|
d1
|
d2
|
d3
|
d4
|
d5
|
d
|
N3.0
|
N4.2
|
N8.7
|
|
|
2BV6110
|
52
|
27
|
φ13
|
340
|
19
|
160
|
123
|
97
|
52
|
DN50
|
G3/4"
|
G3/8"
|
G3/8"
|
|
|
2BV6111
|
52
|
27
|
φ13
|
340
|
19
|
160
|
123
|
97
|
52
|
DN50
|
G3/4"
|
G3/8"
|
G3/8"
|
|
|
2BV6121
|
57
|
29
|
φ13
|
381.5
|
19
|
182
|
142
|
113
|
66.5
|
DN65
|
G3/4"
|
G3/8"
|
G3/8"
|
|
|
2BV6131
|
57
|
29
|
φ15
|
381.5
|
19
|
182
|
142
|
113
|
66.5
|
DN65
|
G3/4"
|
G3/8"
|
G3/8"
|
|
|
2BV6161
|
81
|
41
|
φ15
|
450
|
22
|
200
|
156
|
130
|
80
|
DN80
|
G3/4"
|
G3/8"
|
G3/8"
|
感謝您訪問我們揚子江泵業的網站www.nwarestoration.com,如有任何水泵疑問我們一定會盡心盡力為您提供優質的服務.





