2BE不銹鋼水環式真空泵耗水量
時間:2013-2-4 來源:揚子江泵業 瀏覽數:1542
一、2BE水環式真空泵特點及用途: 2BE水環式真空泵及壓縮機,是我廠在多年科研成果和生產經驗的基礎上,結合進口產品先進技術,研制開發的高效節能產品。通常用于抽吸不含固體顆粒,不溶于水,無腐蝕性的氣體,以便在密閉容器中形成真空和壓力。通過改變結構材料,亦可用于抽吸腐蝕氣體或以腐蝕性液體做工作液。廣泛用于造紙、化工、石化、輕工、制藥、食品、冶金、建材、石器、洗煤、選礦、化肥等行業。
由于在工作過程中,該泵對氣體的壓縮是等溫狀態下進行,因此可抽吸易燃.易爆氣體,通過改變結構材料,亦可抽吸腐蝕性氣體貨以腐蝕性液體作工作液。
2BE水環式真空泵采用單級單作用的結構形式,具有結構簡單,維修方便,運行可靠,高效節能的優點。相對于目前國內廣泛使用的SK、2SK、SZ系列水環式真空泵具有真空度高、功耗低等顯著優點,是SK、2SK、SZ系列水環式真空泵理想替代產品
我公司生產的2BE型水環式真空泵及壓縮機結構主要特點如下:
2BE型水環式真空泵的軸承全部采用NSK或NTN原裝進口軸承,保證了2BE1真空泵的葉輪精確定位及運轉過程中的高穩定性。
2BE型水環式真空泵的葉輪材質全部采用球墨鑄鐵鑄造或鋼板、不銹鋼板焊接,充分保證了2BE1真空泵葉輪在各種惡劣工況下的穩定性,且大大
提高了2BE1真空泵的使用壽命。
泵體全部采用鋼板或不銹鋼板制作,提高了2BE1真空泵的使用壽命。
2BE1真空泵的軸套作為易損壞的零件,本公司全部采用不銹鋼制作,比普通材質壽命提高了5倍。
皮帶輪(皮帶傳動)采用標準高精度錐套皮帶輪,運行可靠,皮帶壽命長,拆卸方便。
聯軸器(直聯傳動)采用標準高強度彈性聯軸器,彈性元件采用聚氨酯材質,運行穩定可靠,使用壽命長。
獨特的上置式氣水分離器節約空間,并有效降低了噪聲。
鑄件全部采用樹脂砂鑄造,表面質量好。鑄件表面無需打膩,使2BE1真空泵散熱效果佳。
機械密封(選配件)全部采用進口件,充分保證2BE1系列真空泵在長時間運行過程中無泄漏。
二.2BE水環式真空泵特點:
1.高可靠性
由于該系列泵采用葉輪與軸熱裝過盈配合,軸與軸承安全系數大,因而具有相當搞的可靠性 ,葉輪采用焊接,輪及葉片全部加工,從根本解決了動平衡問題,運轉平穩底噪音。
2.維護方便
由于在泵的端蓋上沒有設置檢查孔,因而可以方便地查看內部結構,并無需拆泵便可更換排氣閥板,此外填料的更換也可在不拆泵的情況下進行,釋放方便。
3.高效節能
該系列泵采用系統優化設計,采用了柔性排氣閥設計,避免了氣體壓縮中的過壓縮,通過調節排氣面積降低能量消耗,終達到佳運行效率。
4.適應沖擊載荷
葉片采用鋼板一次山沖壓成型,型線得以保證,焊接葉輪整體進行熱處理,葉片具有良好韌性,其抗沖擊.抗折彎能力得以根本保證,適應沖擊載荷。
三.2BE水環式真空泵工作原理:
水環真空泵屬容積式泵,是利用容積大小的改變達到吸排氣目的。
如圖一所示,葉輪偏心地安裝在泵體內,當葉輪旋轉時。水受離心力是作用而在泵體內壁上形成一旋轉水環,水環上不與輪相切,沿箭頭方向旋轉,在前半轉的過程中,水環內表面逐漸與輪脫離,因此葉輪片間形成的空間逐漸擴大,空間氣體壓力降低,氣體被吸入空間;在后半轉的過程中,水環內表面逐漸與輪靠近,葉片間的空間逐漸縮小,空氣氣壓力升高,高于排氣口壓力時,氣體被排出,至此葉輪每旋轉一周,葉片間改變一次,許多空間不停的工作,泵就連續不斷的抽吸氣體。
由于在工作過程中,做功產生熱量,會使工作水環發熱,同時一部分水和氣體被排出,因此在過程中必須不斷的給泵供水,以冷卻和補充泵內消耗的水,滿足工作要求。
四.2BE水環式真空泵結構說明
泵的結構如圖二(2BEA-25),圖三(2BEA30-35)
2BEA系列泵為單級單作用結構,泵有泵蓋.葉輪.圓盤泵體.軸等組成。葉輪與軸熱裝過盈配合,葉輪與端面的間隙由定位軸承來調節,此間隙決定氣體在泵腔內由進氣口到排氣口流動中損失的大小和極限壓力。
填料安裝在兩泵蓋內,密封水由泵蓋上的孔進入填料室,以冷卻填料及加強密封效果。
當泵為機械密封時,將填料壓蓋換成機械密封壓蓋。
在前后分配板上裝有閥板,閥板的作用是當葉輪葉片間的壓力達到排氣壓力時,在排氣口前將氣體排出,減少了因氣體壓力過大面加大功率消耗。
五、2BE水環式真空泵技術參數:
|
型號
|
轉速
(傳動方式) r/min |
軸功率
kW |
電機功率
kW |
配用電機
380V |
極限真空度
mbar |
大抽氣速率
|
泵重
(整機) kg |
|
|
m3/h
|
m3/min
|
|||||||
|
2BE1 102-0
|
1450(直聯)
1300(皮帶) 1625(皮帶) 1750(皮帶) |
5.8
5.0 6.8 8.0 |
7.5
7.5 7.5 11 |
Y132M-4
Y132M-4 Y132M-4 Y160M-4 |
33mbar
(-0.098MPa) |
235
210 270 290 |
3.9
3.5 4.5 4.8 |
311
295 311 346 |
|
2BE1 103-0
|
1450(直聯)
1300(皮帶) 1625(皮帶) 1750(皮帶) |
8.2
7.0 9.9 11.1 |
11
11 15 15 |
Y160M-4
Y160M-4 Y160L-4 Y160L-4 |
33mbar
(-0.098MPa) |
340
300 385 412 |
5.7
5.0 6.4 6.9 |
363
347 388 388 |
|
2BE1 151-0
|
1450(直聯)
1100(皮帶) 1300(皮帶) 1625(皮帶) 1750(皮帶) |
10.8
7.2 9.2 13.2 14.8 |
15
11 11 15 18.5 |
Y160L-4
Y160M-4 Y160M-4 Y160L-4 Y180M-4 |
33mbar
(-0.098MPa) |
405
300 360 445 470 |
6.8
5.0 6.0 7.4 7.8 |
469
428 444 469 503 |
|
2BE1 152-0
|
1450(直聯)
1100(皮帶) 1300(皮帶) 1625(皮帶) 1750(皮帶) |
12.5
8.3 10.5 15.0 17.2 |
15
11 15 18.5 22 |
Y160L-4
Y160M-4 Y160L-4 Y180M-4 Y180L-4 |
33mbar
(-0.098MPa) |
465
340 415 510 535 |
7.8
5.7 6.9 8.5 8.9 |
481
437 481 515 533 |
|
2BE1 153-0
|
1450(直聯)
1100(皮帶) 1300(皮帶) 1625(皮帶) 1750(皮帶) |
16.3
10.6 13.6 19.6 22.3 |
18.5
15 18.5 22 30 |
Y180M-4
Y160L-4 Y180M-4 Y180L-4 Y200L-4 |
33mbar
(-0.098MPa) |
600
445 540 660 700 |
10.0
7.4 9.0 11.0 11.7 |
533
480 533 551 601 |
|
2BE1 202-0
|
970(直聯)
790(皮帶) 880(皮帶) 1100(皮帶) 1170(皮帶) 1300(皮帶) |
17
14 16 22 25 30 |
22
18.5 18.5 30 30 37 |
Y200L2-6
Y180M-4 Y180M-4 Y200L-4 Y200L-4 Y225S-4 |
33mbar
(-0.098MPa) |
760
590 670 850 890 950 |
12.7
9.8 11.2 14.2 14.8 15.8 |
875
850 850 940 945 995 |
|
2BE1 203-0
|
970(直聯)
790(皮帶) 880(皮帶) 1100(皮帶) 1170(皮帶) 1300(皮帶) |
27
20 23 33 37 45 |
37
30 30 45 45 55 |
Y250M-6
Y200L-4 Y200L-4 Y225M-4 Y225M-4 Y250M-4 |
33mbar
(-0.098MPa) |
1120
880 1000 1270 1320 1400 |
18.7
14.7 16.7 21.2 22.0 23.3 |
1065
995 995 1080 1085 1170 |
|
2BE1 252-0
|
740(直聯)
558(皮帶) 660(皮帶) 832(皮帶) 885(皮帶) 938(皮帶) |
38
26 31.8 49 54 60 |
45
30 37 55 75 75 |
Y280M-8
Y200L-4 Y225S-4 Y250M-4 Y280S-4 Y280S-4 |
33mbar
(-0.098MPa) |
1700
1200 1500 1850 2000 2100 |
28.3
20.0 25.0 30.8 33.3 35.0 |
1693
1460 1515 1645 1805 1805 |
|
2BE1 253-0
|
740(直聯)
560(皮帶) 660(皮帶) 740(皮帶) 792(皮帶) 833(皮帶) 885(皮帶) 938(皮帶) |
54
37 45 54 60 68 77 86 |
75
45 55 75 75 90 90 110 |
Y315M-8
Y225M-4 Y250M-4 Y280S-4 Y280S-4 Y280M-4 Y280M-4 Y315S-4 |
33mbar
(-0.098MPa) |
2450
1750 2140 2450 2560 2700 2870 3020 |
40.8
29.2 35.7 40.8 42.7 45.0 47.8 50.3 |
2215
1695 1785 1945 1945 2055 2060 2295 |
|
2BE1 303-0
|
740(直聯)
590(直聯) 466(皮帶) 521(皮帶) 583(皮帶) 657(皮帶) 743(皮帶) |
98
65 48 54 64 78 99 |
110
75 55 75 75 90 132 |
Y315L2-8
Y315L2-10 Y250M-4 Y280S-4 Y280S-4 Y280M-4 Y315M-4 |
33mbar
(-0.098MPa) |
4000
3200 2500 2800 3100 3580 4000 |
66.7
53.3 41.7 46.7 51.7 59.7 66.7 |
3200
3200 2645 2805 2810 2925 3290 |
|
2BE1 305-1
2BE1 306-1 |
740(直聯)
590(直聯) 490(皮帶) 521(皮帶) 583(皮帶) 657(皮帶) 743(皮帶) |
102
70 55 59 68 84 103 |
132
90 75 75 90 110 132 |
Y355M1-8
Y355M1-10 Y280S-4 Y280S-4 Y280M-4 Y315S-4 Y315M-4 |
160mbar
(-0.085MPa) |
4650
3750 3150 3320 3700 4130 4650 |
77.5
62.5 52.5 55.3 61.2 68.8 77.5 |
3800
3800 2950 3000 3100 3300 3450 |
| 2BE1 353-0 |
590(直聯)
390(皮帶) 415(皮帶) 464(皮帶) 520(皮帶) 585(皮帶) 620(皮帶) 660(皮帶) |
121
65 70 81 97 121 133 152 |
160
75 90 110 132 160 160 185 |
Y355L2-10
Y280S-4 Y280M-4 Y315S-4 Y315M-4 Y315L1-4 Y315L1-4 Y315L2-4 |
33mbar
(-0.098MPa) |
5300
3580 3700 4100 4620 5200 5500 5850 |
88.3
59.7 61.7 68.3 77.0 86.7 91.7 97.5 |
4750
3560 3665 3905 4040 4100 4100 4240 |
| 2BE1 355-1 2BE1 356-1 |
590(直聯)
390(皮帶) 435(皮帶) 464(皮帶) 520(皮帶) 555(皮帶) 585(皮帶) 620(皮帶) |
130
75 86 90 102 115 130 145 |
160
90 110 110 132 132 160 185 |
Y355L2-10
Y280M-4 Y315S-4 Y315S-4 Y315M-4 Y315M-4 Y315L1-4 Y315L2-4 |
160mbar
(-0.085MPa) |
6200
4180 4600 4850 5450 5800 6100 6350 |
103.3
69.7 76.7 80.8 90.8 98.3 101.7 105.8 |
5000
3920 4150 4160 4290 4300 4350 4450 |
| 2BE1 403-0 |
330(皮帶) 372(皮帶) 420(皮帶) 472(皮帶) 530(皮帶) 565(皮帶) |
97
110 131 160 203 234 |
132
132 160 200 250 280 |
Y315M-4
Y315M-4 Y315L1-4 Y315L2-4 Y355M2-4 Y355L1-4 |
33mbar
(-0.098MPa) |
5160
5700 6470 7380 8100 8600 |
86.0
95.0 107.8 123.0 135.0 143.3 |
5860
5870 5950 6190 6630 6800 |
| 2BE1 405-1 2BE1 406-1 |
330(皮帶) 372(皮帶) 420(皮帶) 472(皮帶) 530(皮帶) 565(皮帶) |
100
118 140 170 206 235 |
132
160 185 200 250 280 |
Y315M-4
Y315L1-4 Y315L2-4 Y315L2-4 Y355M2-4 Y355L1-4 |
160mbar
(-0.085MPa) |
6000
6700 7500 8350 9450 10100 |
100.0
111.7 125.0 139.2 157.5 168.3 |
5980
6070 6200 6310 6750 6920 |
注:以上所選電機功率可在大多工況下工作。如排氣口壓力較高(0.02~0.05MPa),則應相應加大電機功率;如2BE1真空泵正常工作時軸功率較小,也可選用接近軸功率的電機功率,如此更為節能。
注:水環真空泵的水溫對其性能影響較大,而水環真空泵的性能曲線均為在15℃的水溫條件下測得,因此在實際選用水環真空泵時應對水環真空泵的抽氣速率進行修正。修正方法請參照:水溫對水環真空泵性能的影響。
注:以上所選電機功率可在大多工況下工作。如排氣口壓力較高(0.02~0.05MPa),則應相應加大電機功率;如2BE1真空泵正工作時軸功率較小,也可選用接近軸功率的電機功率,如此更為節能。
六、2BE1系列水環真空泵耗水量:
|
型號
|
標準轉速
rpm
|
轉速范圍
rpm
|
在以下吸入壓力(mbar,絕壓)時的耗水量 m3/h
|
|||||||
|
≤160
|
200
|
300
|
400
|
500
|
600
|
700
|
>800
|
|||
|
2BE1 102-0
|
1450
|
1300~1750
|
1.1
|
1.1
|
0.73
|
0.73
|
0.73
|
0.73
|
0.36
|
0.36
|
|
2BE1 103-0
|
1450
|
1300~1750
|
1.4
|
1.4
|
0.93
|
0.93
|
0.93
|
0.93
|
0.47
|
0.47
|
|
2BE1 151-0
|
1450
|
1100~1750
|
1.5
|
1.5
|
1
|
1
|
1
|
1
|
0.5
|
0.5
|
|
2BE1 152-0
|
1450
|
1100~1750
|
1.7
|
1.7
|
1.13
|
1.13
|
1.13
|
1.13
|
0.57
|
0.57
|
|
2BE1 153-0
|
1450
|
1100~1750
|
1.9
|
1.9
|
1.27
|
1.27
|
1.27
|
1.27
|
0.63
|
0.63
|
|
2BE1 202-0
|
980
|
790~1300
|
2.1
|
2.1
|
1.4
|
1.4
|
1.4
|
1.4
|
0.7
|
0.7
|
|
2BE1 203-0
|
980
|
790~1300
|
2.6
|
2.6
|
1.73
|
1.73
|
1.73
|
1.73
|
0.87
|
0.87
|
|
2BE1 252-0
|
740
|
558~938
|
4.4
|
4.4
|
2.93
|
2.93
|
2.93
|
2.93
|
1.47
|
1.47
|
|
2BE1 253-0
|
740
|
560~938
|
5.2
|
5.2
|
3.47
|
3.47
|
3.47
|
3.47
|
1.73
|
1.73
|
|
2BE1 303-0
|
660
|
466~743
|
8.5
|
8.5
|
6.8
|
6.8
|
5.7
|
5.7
|
2.9
|
2.9
|
|
2BE1 303-2
|
660
|
466~743
|
-
|
9.1
|
7.9
|
6.7
|
5.6
|
4.4
|
3.2
|
2.0
|
|
2BE1 305-1
|
660
|
466~743
|
8.2
|
8.2
|
7.8
|
7.0
|
6.0
|
5.1
|
4.2
|
3.3
|
|
2BE1 306-1
|
660
|
466~743
|
8.2
|
8.2
|
7.8
|
7.0
|
6.0
|
5.1
|
4.2
|
3.3
|
|
2BE1 353-0
|
530
|
372~660
|
11.2
|
11.2
|
9.0
|
9.0
|
7.5
|
7.5
|
3.8
|
3.8
|
|
2BE1 353-2
|
530
|
372~660
|
-
|
12.1
|
10.5
|
9.0
|
7.4
|
5.8
|
4.3
|
2.7
|
|
2BE1 355-1
|
530
|
372~660
|
10.9
|
10.9
|
10.4
|
9.3
|
8.0
|
6.7
|
5.5
|
4.3
|
|
2BE1 356-1
|
530
|
372~660
|
10.9
|
10.9
|
10.4
|
9.3
|
8.0
|
6.7
|
5.5
|
4.3
|
|
2BE1 403-0
|
420
|
330~565
|
16.0
|
16.0
|
12.8
|
10.7
|
10.7
|
8.7
|
7.2
|
5.4
|
|
2BE1 405-1
|
420
|
330~565
|
14.7
|
14.7
|
14.2
|
12.6
|
10.9
|
9.2
|
7.7
|
5.9
|
七、2BE1系列水環壓縮機耗水量:
|
型號
|
標準轉速
rpm
|
轉速范圍
rpm
|
在以下排氣壓力(bar,絕壓)時的耗水量 m3/h
|
|||||||
|
1.2
|
1.4
|
1.5
|
1.6
|
1.8
|
2.0
|
2.2
|
2.4
|
|||
|
2BE1 102-8
|
1450
|
1300~1750
|
0.8
|
0.9
|
0.9
|
1.1
|
1.2
|
1.3
|
1.5
|
-
|
|
2BE1 103-8
|
1450
|
1300~1750
|
0.8
|
1.1
|
1.1
|
1.3
|
1.5
|
1.6
|
1.8
|
-
|
|
2BE1 151-8
|
1450
|
1100~1750
|
0.9
|
1.2
|
1.2
|
1.4
|
1.6
|
1.7
|
1.9
|
-
|
|
2BE1 152-8
|
1450
|
1100~1750
|
1.0
|
1.3
|
1.3
|
1.5
|
1.7
|
1.8
|
2.0
|
-
|
|
2BE1 153-8
|
1450
|
1100~1750
|
1.2
|
1.5
|
1.5
|
1.7
|
1.9
|
2.0
|
2.2
|
-
|
|
2BE1 202-8
|
980
|
790~1300
|
0.3
|
0.5
|
0.6
|
0.7
|
0.9
|
1.1
|
1.4
|
-
|
|
2BE1 203-8
|
980
|
790~1300
|
0.4
|
0.6
|
0.7
|
0.7
|
0.9
|
1.2
|
1.5
|
-
|
|
2BE1 252-8
|
740
|
558~938
|
1.3
|
2.1
|
3.0
|
3.2
|
4.3
|
5.4
|
6.4
|
7.5
|
|
2BE1 253-8
|
740
|
560~938
|
1.7
|
2.5
|
3.0
|
3.3
|
4.4
|
5.5
|
6.9
|
8.3
|
|
2BE1 303-8
|
660
|
466~743
|
2.3
|
3.2
|
4.0
|
4.6
|
6.0
|
8.0
|
9.5
|
10.9
|
|
2BE1 305-8
|
660
|
466~743
|
2.3
|
3.2
|
4.0
|
4.6
|
6.0
|
8.0
|
9.5
|
12.0
|
|
2BE1 355-8
|
530
|
372~660
|
3.2
|
4.4
|
5.2
|
6.3
|
8.3
|
10.8
|
13.0
|
16.0
|
|
2BE1 405-8
|
420
|
330~565
|
4.3
|
5.7
|
6.8
|
8.4
|
11.0
|
14.5
|
17.5
|
22
|
注:1、工作液種類:通常情況下用水,標準溫度15℃(范圍0℃至65℃);或其溫度至少要低于其沸點10℃。
2、以上耗水量為在標準轉速下所需的耗水量,對不同轉速,數據表中的流量值應乘以(實際轉速÷標準轉速)
3、如需增加工作液流量,則數據表中的流量加倍。
八、2BE3水環真空泵性能表:
|
型號
|
轉速
(傳動方式) r/min |
大軸功率
kW |
電機功率
kW |
大抽氣速率
|
極限真空度
(絕對壓力) mbar |
泵頭重量
(含上置分離器) kg |
|
|
m3/h
|
m3/min
|
||||||
|
2BE3 400
|
340(皮帶/減速機)
390(皮帶/減速機) 440(皮帶/減速機) 490(皮帶/減速機) 530(皮帶/減速機) 570(皮帶/減速機) 610(皮帶/減速機) |
82
95 115 134 148 167 189 |
110
110 132 160 185 200 220 |
4850
5650 6250 6900 7470 8000 8600 |
80.8
94.2 104.2 115.0 124.5 133.3 143.3 |
160
|
3275
|
|
2BE3 420
|
340(皮帶/減速機)
390(皮帶/減速機) 440(皮帶/減速機) 490(皮帶/減速機) 530(皮帶/減速機) 570(皮帶/減速機) 610(皮帶/減速機) |
108
132 157 180 204 229 260 |
132
160 185 200 220 250 315 |
6650
7650 8550 9400 10150 10700 11600 |
110.8
127.5 142.5 156.6 169.2 178.3 193.3 |
160
|
3720
|
|
2BE3 500
|
260(減速機)
300(減速機) 340(減速機) 380(減速機) 420(減速機) 470(減速機) |
142
171 203 238 277 338 |
160
200 250 280 315 400 |
8700
10150 11400 12700 13800 15500 |
145.0
169.2 190.0 211.7 230.0 258.3 |
160
|
6110
|
|
2BE3 520
|
260(減速機)
300(減速機) 340(減速機) 380(減速機) 420(減速機) 470(減速機) |
172
210 245 288 337 412 |
200
250 280 315 400 500 |
10700
12300 14000 15400 16800 18700 |
178.3
205.0 233.3 256.7 280.0 311.7 |
160
|
6740
|
|
2BE3 600
|
230(減速機)
260(減速機) 290(減速機) 320(減速機) 350(減速機) 400(減速機) |
205
243 285 322 365 465 |
250
280 315 355 450 560 |
12700
14400 16000 17500 19000 21600 |
211.7
240.0 266.7 291.7 316.7 360.0 |
160
|
9100
|
|
2BE3 620
|
230(減速機)
260(減速機) 290(減速機) 320(減速機) 350(減速機) 400(減速機) |
250
300 340 390 450 570 |
280
355 400 450 500 630 |
15600
17700 19500 21300 23200 26200 |
260.0
295.0 325.0 355.0 386.7 436.7 |
160
|
10700
|
|
2BE3 670
|
210(減速機)
240(減速機) 270(減速機) 300(減速機) 320(減速機) 330(減速機) 370(減速機) |
280
350 415 465 523 545 670 |
315
400 450 560 630 630 800 |
18300
20400 23160 25500 27000 27720 30960 |
305
340 386 425 450 462 516 |
160
|
12700
|
|
2BE3 720
|
190(減速機)
210(減速機) 240(減速機) 270(減速機) 300(減速機) 340(減速機) |
345
395 475 550 642 795 |
400
450 560 630 710 900 |
21900
24300 27480 30540 33780 38100 |
365
405 458 509 563 635 |
160
|
15700
|
2、以上真空泵轉速為參考轉速,實際轉速根據傳動方式及客戶要求確定。
3、2BE3 400/420皮帶傳動可選擇轉速:327/349/393/446/475/498/527rpm。
4、2BE3 500以上真空泵不推薦皮帶傳動。
5、減速機傳動安裝尺寸需確定轉速、減速機生產廠家后確定。
6、上表所列抽氣速率為該泵的大抽氣速率,實際抽氣速率隨吸入壓力而變化,請參照“性能曲線”選型。
7、注:水環真空泵的水溫對其性能影響較大,而水環真空泵的性能曲線均為在15℃的水溫條件下測得,因此在實際選用水環真空泵時應對水環真空泵的抽氣速率進行修正。修正方法請參照:水溫對水環真空泵性能的影響。
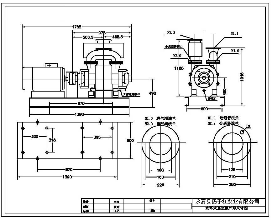
九、2BE水環式真空泵安裝尺寸圖:
十、2BE水環式真空泵真空泵及壓縮機結構主要特點:
1、軸承全部采用原裝進口軸承,保證了2BE1真空泵的葉輪精確定位及運轉過程中的高穩定性。
2、葉輪材質全部采用球墨鑄鐵鑄造或鋼板焊接,充分保證了2BE1真空泵葉輪在各種惡劣工況下的穩定性,且大大提高了3、3、BE1真空泵的使用壽命。
4、泵體全部采用鋼板制作,提高了2BE1真空泵的使用壽命。
5、2BE1真空泵的軸套作為易損壞的零件,本公司全部采用高鉻不銹鋼制作,比普通材質壽命提高了5倍。
6、皮帶輪(皮帶傳動)采用標準高精度錐套皮帶輪,運行可靠,皮帶壽命長,拆卸方便。
7、聯軸器(直聯傳動)采用標準高強度彈性聯軸器,彈性元件采用聚氨酯材質,運行穩定可靠,使用壽命長。
8、獨特的上置式氣水分離器節約空間,并有效降低了噪聲。
9、鑄件全部采用樹脂砂鑄造,表面質量好。鑄件表面無需打膩,使2BE1真空泵散熱效果佳。
10、機械密封(選配件)全部采用進口件,充分保證2BE1系列真空泵在長時間運行過程中無泄漏。
11、泵體內壁型線采用近似橢圓的型線以保證佳的抽氣效果。
真空泵其它產品:2X系列旋片式真空泵,X系列旋片式真空泵,2XZ系列旋片式真空泵,2XZ系列旋片式真空泵,WX無油旋片式真空泵,XD系列旋片式真空泵,2BV系列水環式真空泵,SK系列水環式真空泵,2SK系列水環式真空泵,SZ系列水環式真空泵,SK系列懸臂式真空泵,2BE系列水環式真空泵,SZB系列水環式真空泵,ZJ型羅茨泵系列,ZJP型羅茨泵系列,羅茨-旋片真空機組,羅茨-水環真空機組,擴散泵機組,無油干泵機組,水噴射泵機組,W型往復式真空泵,WLW型往復式真空泵,2H系列滑閥式真空泵,H系列干泵,K型油擴散泵系列
感謝您訪問我們揚子江泵業的網站www.nwarestoration.com,如有任何水泵疑問我們一定會盡心盡力為您提供優質的服務.
- 下一篇:無堵塞排污泵葉輪結構及特點
- 上一篇:2BV型水環式真空泵工作原理





