ISW型臥式管道泵
ISW型臥式管道泵,是本單位科技人員聯合國內水泵專家選用國內優秀水力模型,采用IS型離心泵之性能參數,在一般臥式泵的基礎上進行巧妙組合設計而成,同時根據使用溫度、介質等不同在ALG型基礎上派生出適用熱水、高溫耐腐蝕化工泵、油泵。該系列產品具有高效節能、噪音低、性能可靠等優點,符合新國家機械部JB/T53058-93的標準要求,產品按國際ISO2858標準設計制造。
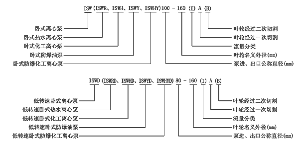
型號意義
主要用途
1、ISW臥式清水泵,供輸送清水及物理化學性質類似于清水的其它液體之用,適用于工業和城市給排水、高層建筑增壓送水、園林噴灌、消防增壓、遠距離輸送、暖通制冷循環、浴室等冷暖水循環增壓及設備配套,使用溫度T≤80℃。
2、ISWR臥式熱水泵,廣泛適用于:冶金、化工、紡織、造紙以及賓館飯店等鍋爐熱水增壓循環輸送及城市采暖系統,ALWR型使用溫度T≤120℃。
3、ISWH臥式化工泵,供輸送不含固體顆粒,具有腐蝕性。粘度類似于水的液體,適用于石油、化工、冶金、電力、造紙、食品、制藥和合成纖維等部門,使用溫度為-20℃~+120℃。
4、ISWY臥式管道油泵,供輸送汽油、煤油、柴油等油類產品或易燃、易爆液體,被輸送介質溫度為-20℃~120℃。
5、ISWHY型臥式不銹鋼防爆化工離心泵,適用于輸送易燃性化工液體。
6、ISWD臥式低轉速泵,適應要求環境噪聲很低的場合,使用溫度T≤120℃。
工作條件
1.吸入壓力≤1.0MPa,或泵系統高工作壓力≤1.6MPa,即吸入口壓力+泵揚程≤1.6MPa、泵靜壓試驗壓力為≤2.5MPa,訂貨時請注明系統工作壓力。泵系統工作壓力大于1.6MPa時應在訂貨時另行提出,以便在制造時泵的過流部分和聯接部分采用鑄鋼材料。
2.環境溫度<40℃,相對濕度<40%。
3.所輸送介質中固體顆粒體積含量不超過單位體積的0.1,粒度<0.2mm。
注:如果用介質為帶有細小顆粒,請在訂貨時說明,以便廠家采用耐磨式機械密封。
特點
運行平穩:泵軸的絕對同心度及葉輪優異的動靜平衡,保證平穩運行,絕無振動。
滴水不漏:不同材質的硬質合金密封,保證了不同介質輸送均無泄漏。
噪音低:兩個低噪音軸承支撐下的水泵,運轉平穩,除電機微弱聲響,基本無噪音。
故障率低:結構簡單合理,關鍵部分采用國際一流品質配套,整機無故障工作時間大大提高。
維修方便:更換密封、軸承,簡易方便。
占地更。撼隹诳上蜃、向右、向上三個方向,便于管道布置安裝,節省空間。
性能參數
|
型號 |
口徑 |
流量 |
揚程 |
效率 |
轉速 |
電機功率 |
必需汽蝕余量 |
|
|
mm |
m3/h |
L/S |
m |
% |
r/min |
KW |
(NPSH)r |
|
|
15-80 |
15 |
1.1 |
0.3 |
8.5 |
26 |
2800 |
0.18 |
2.3 |
|
20-110 |
20 |
1.8 |
0.5 |
16 |
25 |
2800 |
0.37 |
2.3 |
|
20-160 |
20 |
1.8 |
0.5 |
33 |
19 |
2900 |
0.75 |
2.3 |
|
25-110 |
25 |
2.8 |
0.78 |
16 |
34 |
2900 |
0.55 |
2.3 |
|
25-125 |
25 |
2.8 |
0.78 |
20.6 |
28 |
2900 |
0.75 |
2.3 |
|
25-125A |
25 |
2.5 |
0.69 |
17 |
35 |
2900 |
0.55 |
2.3 |
|
25-160 |
25 |
2.8 |
0.78 |
33 |
24 |
2900 |
1.5 |
2.3 |
|
25-160A |
25 |
2.6 |
0.12 |
29 |
31 |
2900 |
1.1 |
2.3 |
|
型號 |
口徑 |
流量 |
揚程 |
效率 |
轉速 |
電機功率 |
必需汽蝕余量 |
|
|
mm |
m3/h |
L/S |
m |
% |
r/min |
KW |
(NPSH)r |
|
|
32-100(I) |
32 |
4.4 |
1.22 |
13.2 |
48 |
2900 |
0.75 |
2.0 |
|
32-125 |
32 |
3.5 |
0.97 |
22 |
40 |
2900 |
0.75 |
2.3 |
|
32-125A |
32 |
3.1 |
0.86 |
17.6 |
43 |
2900 |
0.55 |
2.3 |
|
32-160(I) |
32 |
4.4 |
1.22 |
33.2 |
34 |
2900 |
2.2 |
2.0 |
|
32-200(I) |
32 |
4.4 |
1.22 |
50.5 |
26 |
2900 |
4 |
2.0 |
|
32-200A |
32 |
2.8 |
0.78 |
44.6 |
34 |
2900 |
2.2 |
2.0 |
|
型號 |
口徑 |
流量 |
揚程 |
效率 |
轉速 |
電機功率 |
必需汽蝕余量 |
|
|
mm |
m3/h |
L/S |
m |
% |
r/min |
KW |
(NPSH)r |
|
|
40-100 |
40 |
4.4 |
1.22 |
13.2 |
48 |
2900 |
0.55 |
2.3 |
|
40-100A |
40 |
3.9 |
1.08 |
10.6 |
52 |
2900 |
0.37 |
2.3 |
|
40-125 |
40 |
4.4 |
1.22 |
21 |
41 |
2900 |
1.1 |
2.3 |
|
40-125A |
40 |
3.9 |
1.08 |
17.6 |
40 |
2900 |
0.75 |
2.3 |
|
40-160 |
40 |
4.4 |
1.22 |
33 |
35 |
2900 |
2.2 |
2.3 |
|
40-160A |
40 |
4.1 |
1.14 |
29 |
34 |
2900 |
1.5 |
2.3 |
|
40-160B |
40 |
3.8 |
1.06 |
25.5 |
34 |
2900 |
1.1 |
2.3 |
|
40-200 |
40 |
4.4 |
1.22 |
51 |
26 |
2900 |
4 |
2.3 |
|
40-200A |
40 |
4.1 |
1.14 |
45 |
26 |
2900 |
3 |
2.3 |
|
40-200B |
40 |
3.7 |
1.03 |
38 |
29 |
2900 |
2.2 |
2.3 |
|
40-250 |
40 |
4.4 |
1.22 |
82 |
24 |
2900 |
7.5 |
2.3 |
|
40-250A |
40 |
4.1 |
1.14 |
72 |
24 |
2900 |
5.5 |
2.3 |
|
40-250B |
40 |
3.8 |
1.06 |
61.5 |
23 |
2900 |
4 |
2.3 |
|
型號 |
口徑 |
流量 |
揚程 |
效率 |
轉速 |
電機功率 |
必需汽蝕余量 |
|
|
mm |
m3/h |
L/S |
m |
% |
r/min |
KW |
(NPSH)r |
|
|
40-100(I) |
40 |
8.8 |
2.44 |
13.2 |
55 |
2900 |
1.1 |
2.3 |
|
40-100(I)A |
40 |
8 |
2.22 |
10.6 |
60 |
2900 |
0.75 |
2.3 |
|
40-125(I) |
40 |
8.8 |
2.44 |
21.2 |
49 |
2900 |
1.5 |
2.3 |
|
40-125(I)A |
40 |
8 |
2.22 |
17 |
57 |
2900 |
1.1 |
2.3 |
|
40-160(I) |
40 |
8.8 |
2.44 |
33 |
45 |
2900 |
3 |
2.3 |
|
40-160(I)A |
40 |
8.2 |
2.28 |
29 |
44 |
2900 |
2.2 |
2.3 |
|
40-160(I)B |
40 |
7.3 |
2.38 |
23 |
50 |
2900 |
1.5 |
2.3 |
|
40-200(I) |
40 |
8.8 |
2.44 |
51.2 |
38 |
2900 |
5.5 |
2.3 |
|
40-200(I)A |
40 |
8.3 |
2.31 |
45.0 |
37 |
2900 |
4 |
2.3 |
|
40-200(I)B |
40 |
7.5 |
2.08 |
37 |
44 |
2900 |
3 |
2.3 |
|
40-250(I) |
40 |
8.8 |
2.44 |
81.2 |
31 |
2900 |
11 |
2.3 |
|
40-250(I)A |
40 |
8.2 |
2.28 |
71.0 |
38 |
2900 |
7.5 |
2.3 |
|
40-250(I)B |
40 |
7.6 |
2.11 |
61.4 |
37 |
2900 |
7.5 |
2.3 |
|
40-250(I)C |
40 |
7.1 |
1.97 |
53.2 |
36 |
2900 |
5.5 |
2.3 |
|
型號 |
口徑 |
流量 |
揚程 |
效率 |
轉速 |
電機功率 |
必需汽蝕余量 |
|
|
mm |
m3/h |
L/S |
m |
% |
r/min |
KW |
(NPSH)r |
|
|
50-100 |
50 |
8.8 |
2.44 |
13.6 |
55 |
2900 |
1.1 |
2.3 |
|
50-100A |
50 |
8 |
2.22 |
11 |
60 |
2900 |
0.75 |
2.3 |
|
50-125 |
50 |
8.8 |
2.44 |
21.5 |
49 |
2900 |
1.5 |
2.3 |
|
50-125A |
50 |
8 |
2.22 |
17 |
57 |
2900 |
1.1 |
2.3 |
|
50-160 |
50 |
8.8 |
2.44 |
33 |
45 |
2900 |
3 |
2.3 |
|
50-160A |
50 |
8.2 |
2.28 |
29 |
44 |
2900 |
2.2 |
2.3 |
|
50-160B |
50 |
7.3 |
2.38 |
23 |
50 |
2900 |
1.5 |
2.3 |
|
50-200 |
50 |
8.8 |
2.44 |
52 |
38 |
2900 |
5.5 |
2.3 |
|
50-200A |
50 |
8.3 |
2.31 |
45.8 |
37 |
2900 |
4 |
2.3 |
|
50-200B |
50 |
7.5 |
2.08 |
37 |
44 |
2900 |
3 |
2.3 |
|
50-250 |
50 |
8.8 |
2.44 |
82 |
29 |
2900 |
11 |
2.3 |
|
50-250A |
50 |
8.2 |
2.28 |
71.5 |
38 |
2900 |
7.5 |
2.3 |
|
50-250B |
50 |
7.6 |
2.11 |
61.4 |
37 |
2900 |
7.5 |
2.3 |
|
50-250C |
50 |
7.1 |
1.97 |
53.2 |
36 |
2900 |
5.5 |
2.3 |
|
型號 |
口徑 |
流量 |
揚程 |
效率 |
轉速 |
電機功率 |
必需汽蝕余量 |
|
|
mm |
m3/h |
L/S |
m |
% |
r/min |
KW |
(NPSH)r |
|
|
50-100(I) |
50 |
17.5 |
4.86 |
13.7 |
67 |
2900 |
1.5 |
2.5 |
|
50-100(I)A |
50 |
15.6 |
4.3 |
11 |
65 |
2900 |
1.1 |
2.5 |
|
50-125(I) |
50 |
17.5 |
4.86 |
21.5 |
60 |
2900 |
3 |
2.5 |
|
50-125(I)A |
50 |
15.6 |
4.33 |
17 |
58 |
2900 |
2.2 |
2.5 |
|
50-160(I) |
50 |
17.5 |
4.68 |
34.4 |
54 |
2900 |
4 |
2.5 |
|
50-160(I)A |
50 |
16.4 |
4.56 |
30 |
54 |
2900 |
4 |
2.5 |
|
50-160(I)B |
50 |
15.0 |
4.17 |
26 |
58 |
2900 |
3 |
2.5 |
|
50-200(I) |
50 |
17.5 |
4.86 |
52.7 |
49 |
2900 |
7.5 |
2.5 |
|
50-200(I)A |
50 |
16.4 |
4.56 |
46.4 |
48 |
2900 |
7.5 |
2.5 |
|
50-200(I)B |
50 |
15.2 |
4.22 |
40 |
55 |
2900 |
5.5 |
2.5 |
|
50-250(I) |
50 |
17.5 |
4.86 |
82 |
39 |
2900 |
15 |
2.5 |
|
50-250(I)A |
50 |
16.4 |
4.56 |
71.5 |
39 |
2900 |
11 |
2.5 |
|
50-250(I)B |
50 |
15 |
4.17 |
61 |
38 |
2900 |
11 |
2.5 |
|
50-315(I) |
50 |
17.5 |
4.86 |
128 |
30 |
2900 |
30 |
2.5 |
|
50-315(I)A |
50 |
16.6 |
4.61 |
115 |
30 |
2900 |
22 |
2.5 |
|
50-315(I)B |
50 |
15.7 |
4.36 |
103 |
39 |
2900 |
18.5 |
2.5 |
|
50-315(I)C |
50 |
14.4 |
4.0 |
86 |
38 |
2900 |
15 |
2.5 |
|
型號 |
口徑 |
流量 |
揚程 |
效率 |
轉速 |
電機功率 |
必需汽蝕余量 |
|
|
m3/h |
L/S |
m |
% |
r/min |
KW |
(NPSH)r |
||
|
65-100 |
65 |
17.5 |
4.86 |
13.7 |
67 |
2900 |
1.5 |
2.5 |
|
65-100A |
65 |
15.6 |
4.3 |
11 |
65 |
2900 |
1.1 |
2.5 |
|
65-125 |
65 |
17.5 |
4.86 |
21.5 |
60 |
2900 |
3 |
2.5 |
|
65-125A |
65 |
15.6 |
4.33 |
17 |
58 |
2900 |
2.2 |
2.5 |
|
65-160 |
65 |
17.5 |
4.86 |
34.4 |
54 |
2900 |
4 |
2.5 |
|
65-160A |
65 |
16.4 |
4.56 |
30 |
54 |
2900 |
4 |
2.5 |
|
65-160B |
65 |
15.0 |
4.17 |
26 |
58 |
2900 |
3 |
2.5 |
|
65-200 |
65 |
17.5 |
4.86 |
52.7 |
49 |
2900 |
7.5 |
2.5 |
|
65-200A |
65 |
16.4 |
4.56 |
46.4 |
48 |
2900 |
7.5 |
2.5 |
|
65-200B |
65 |
15.2 |
4.22 |
40 |
55 |
2900 |
5.5 |
2.5 |
|
65-250 |
65 |
17.5 |
4.86 |
82 |
39 |
2900 |
15 |
2.5 |
|
65-250A |
65 |
16.4 |
4.56 |
71.5 |
39 |
2900 |
11 |
2.5 |
|
65-250B |
65 |
15 |
4.17 |
61 |
38 |
2900 |
11 |
2.5 |
|
65-315 |
65 |
17.5 |
4.86 |
127 |
32 |
2900 |
30 |
2.5 |
|
65-315A |
65 |
16.6 |
4.61 |
115 |
32 |
2900 |
22 |
2.5 |
|
65-315B |
65 |
15.7 |
4.36 |
103 |
39 |
2900 |
18.5 |
2.5 |
|
65-315C |
65 |
14.4 |
4.0 |
86 |
38 |
2900 |
15 |
2.5 |
|
型號 |
口徑 |
流量 |
揚程 |
效率 |
轉速 |
電機功率 |
必需汽蝕余量 |
|
|
mm |
m3/h |
L/S |
m |
% |
r/min |
KW |
(NPSH)r |
|
|
65-100(I) |
65 |
35 |
9.72 |
13.8 |
67 |
2900 |
3 |
3.0 |
|
65-100(I)A |
65 |
31.3 |
8.7 |
11 |
66 |
2900 |
2.2 |
3.0 |
|
65-125(I) |
65 |
35 |
9.72 |
22 |
67 |
2900 |
5.5 |
3.0 |
|
65-125(I)A |
65 |
31.3 |
8.7 |
17.5 |
66 |
2900 |
4 |
3.0 |
|
65-160(I) |
65 |
35 |
9.72 |
35 |
63 |
2900 |
7.5 |
3.0 |
|
65-160(I)A |
65 |
32.7 |
9.1 |
30.6 |
62 |
2900 |
7.5 |
3.0 |
|
65-160(I)B |
65 |
30.3 |
8.4 |
26 |
69 |
2900 |
5.5 |
3.0 |
|
65-200(I) |
65 |
35 |
9.72 |
53.5 |
55 |
2900 |
15 |
3.0 |
|
65-200(I)A |
65 |
32.8 |
9.1 |
47 |
54 |
2900 |
11 |
3.0 |
|
65-200(I)B |
65 |
30.5 |
8.5 |
40.6 |
65 |
2900 |
7.5 |
3.0 |
|
65-250(I) |
65 |
35 |
9.72 |
83 |
52 |
2900 |
22 |
3.0 |
|
65-250(I)A |
65 |
32.5 |
9.0 |
73 |
52 |
2900 |
18.5 |
3.0 |
|
65-250(I)B |
65 |
30 |
8.3 |
62 |
58 |
2900 |
15 |
3.0 |
|
65-315(I) |
65 |
35 |
9.72 |
128 |
44 |
2900 |
37 |
3.0 |
|
65-315(I)A |
65 |
32.5 |
9.0 |
112.6 |
43 |
2900 |
30 |
3.0 |
|
65-315(I)B |
65 |
31 |
8.6 |
102.5 |
53 |
2900 |
30 |
3.0 |
|
65-315(I)C |
65 |
29 |
8.1 |
87 |
51 |
2900 |
22 |
3.0 |
|
型號 |
口徑 |
流量 |
揚程 |
效率 |
轉速 |
電機功率 |
必需汽蝕余量 |
|
|
mm |
m3/h |
L/S |
m |
% |
r/min |
KW |
(NPSH)r |
|
|
80-100 |
80 |
35 |
9.72 |
13.8 |
67 |
2900 |
3 |
3.0 |
|
80-100A |
80 |
31.3 |
8.7 |
11 |
66 |
2900 |
2.2 |
3.0 |
|
80-125 |
80 |
35 |
9.72 |
22 |
67 |
2900 |
5.5 |
3.0 |
|
80-125A |
80 |
31.3 |
8.7 |
17.5 |
66 |
2900 |
4 |
3.0 |
|
80-160 |
80 |
35 |
9.72 |
35 |
63 |
2900 |
7.5 |
3.0 |
|
80-160A |
80 |
32.7 |
9.1 |
30.6 |
62 |
2900 |
7.5 |
3.0 |
|
80-160B |
80 |
30.3 |
8.4 |
26 |
69 |
2900 |
5.5 |
3.0 |
|
80-200 |
80 |
35 |
9.72 |
53.5 |
55 |
2900 |
15 |
3.0 |
|
80-200A |
80 |
32.8 |
9.1 |
47 |
54 |
2900 |
11 |
3.0 |
|
80-200B |
80 |
30.5 |
8.5 |
40.6 |
65 |
2900 |
7.5 |
3.0 |
|
80-250 |
80 |
35 |
9.72 |
83 |
52 |
2900 |
22 |
3.0 |
|
80-250A |
80 |
32.5 |
9.0 |
73 |
52 |
2900 |
18.5 |
3.0 |
|
80-250B |
80 |
30 |
8.3 |
62 |
58 |
2900 |
15 |
3.0 |
|
80-315 |
80 |
35 |
9.72 |
128 |
43 |
2900 |
37 |
3.0 |
|
80-315A |
80 |
32.5 |
9.0 |
112.6 |
43 |
2900 |
30 |
3.0 |
|
80-315B |
80 |
31 |
8.6 |
102.5 |
53 |
2900 |
30 |
3.0 |
|
80-315C |
80 |
29 |
8.1 |
98 |
51 |
2900 |
22 |
3.0 |
|
80-350 |
80 |
35 |
9.72 |
146 |
55 |
2900 |
55 |
3.0 |
|
80-350A |
80 |
31 |
8.6 |
138.4 |
65 |
2900 |
45 |
3.0 |
|
80-350B |
80 |
29 |
8.1 |
131.4 |
63 |
2900 |
37 |
3.0 |
|
型號 |
口徑 |
流量 |
揚程 |
效率 |
轉速 |
電機功率 |
必需汽蝕余量 |
|
|
mm |
m3/h |
L/S |
m |
% |
r/min |
KW |
(NPSH)r |
|
|
80-100(I) |
80 |
70 |
19.4 |
13.6 |
66 |
2900 |
5.5 |
4.5 |
|
80-100(I)A |
80 |
62.6 |
17.4 |
11 |
64 |
2900 |
4 |
4.5 |
|
80-125(I) |
80 |
70 |
19.4 |
23.5 |
70 |
2900 |
11 |
4.5 |
|
80-125(I)A |
80 |
62.6 |
17.4 |
19 |
68 |
2900 |
7.5 |
4.5 |
|
80-160(I) |
80 |
70 |
19.4 |
36.5 |
70 |
2900 |
15 |
4.5 |
|
80-160(I)A |
80 |
65.4 |
18.2 |
32 |
68 |
2900 |
11 |
4.5 |
|
80-160(I)B |
80 |
60.6 |
16.8 |
72 |
72 |
2900 |
11 |
4.5 |
|
80-200(I) |
80 |
70 |
19.4 |
54 |
65 |
2900 |
22 |
4.0 |
|
80-200(I)A |
80 |
65.4 |
18.2 |
47.5 |
64 |
2900 |
18.5 |
4.0 |
|
80-200(I)B |
80 |
61 |
16.9 |
41 |
71 |
2900 |
15 |
4.0 |
|
80-250(I) |
80 |
70 |
19.4 |
87 |
62 |
2900 |
37 |
4.0 |
|
80-250(I)A |
80 |
65.4 |
18.2 |
76 |
61 |
2900 |
30 |
4.0 |
|
80-250(I)B |
80 |
61 |
16.9 |
65 |
66 |
2900 |
30 |
4.0 |
|
80-315(I) |
80 |
70 |
19.4 |
132 |
55 |
2900 |
75 |
4.0 |
|
80-315(I)A |
80 |
66.5 |
18.5 |
119 |
55 |
2900 |
55 |
4.0 |
|
80-315(I)B |
80 |
63 |
17.5 |
106.6 |
65 |
2900 |
45 |
4.0 |
|
80-315(I)C |
80 |
58 |
16.1 |
90 |
63 |
2900 |
37 |
4.0 |
|
型號 |
口徑 |
流量 |
揚程 |
效率 |
轉速 |
電機功率 |
必需汽蝕余量 |
|
|
mm |
m3/h |
L/S |
m |
% |
r/min |
KW |
(NPSH)r |
|
|
100-100 |
100 |
70 |
19.4 |
13.6 |
66 |
2900 |
5.5 |
4.5 |
|
100-100A |
100 |
62.6 |
17.4 |
11 |
64 |
2900 |
4 |
4.5 |
|
100-125 |
100 |
70 |
19.4 |
23.5 |
70 |
2900 |
11 |
4.5 |
|
100-125A |
100 |
62.6 |
17.4 |
19 |
68 |
2900 |
7.5 |
4.5 |
|
100-160 |
100 |
70 |
19.4 |
36.5 |
70 |
2900 |
15 |
4.5 |
|
100-160A |
100 |
65.4 |
18.2 |
32 |
68 |
2900 |
11 |
4.5 |
|
100-160B |
100 |
60.6 |
16.8 |
27 |
72 |
2900 |
11 |
4.5 |
|
100-200 |
100 |
70 |
19.4 |
54 |
65 |
2900 |
22 |
4.0 |
|
100-200A |
100 |
65.4 |
18.2 |
47.5 |
64 |
2900 |
18.5 |
4.0 |
|
100-200B |
100 |
61 |
16.9 |
41 |
71 |
2900 |
15 |
4.0 |
|
100-250 |
100 |
70 |
19.4 |
37 |
62 |
2900 |
37 |
4.0 |
|
100-250A |
100 |
65.4 |
18.2 |
76 |
61 |
2900 |
30 |
4.0 |
|
100-250B |
100 |
61 |
16.9 |
65 |
66 |
2900 |
30 |
4.0 |
|
100-315 |
100 |
70 |
19.4 |
132 |
55 |
2900 |
75 |
4.0 |
|
100-315A |
100 |
66.5 |
18.5 |
119 |
65 |
2900 |
55 |
4.0 |
|
100-315B |
100 |
63 |
17.5 |
106.6 |
65 |
2900 |
45 |
4.0 |
|
100-315C |
100 |
58 |
16.1 |
90 |
63 |
2900 |
37 |
4.0 |
|
型號 |
口徑 |
流量 |
揚程 |
效率 |
轉速 |
電機功率 |
必需汽蝕余量 |
|
|
mm |
m3/h |
L/S |
m |
% |
r/min |
KW |
(NPSH)r |
|
|
100-100(I) |
100 |
96 |
26.7 |
14 |
64 |
2900 |
11 |
4.5 |
|
100-125(I) |
100 |
96 |
26.7 |
24 |
62 |
2900 |
15 |
4.5 |
|
100-125(I)A |
100 |
84 |
23.3 |
20 |
64 |
2900 |
11 |
4.5 |
|
100-160(I) |
100 |
96 |
26.7 |
36 |
69 |
2900 |
22 |
5.6 |
|
100-160(I)A |
100 |
84 |
23.3 |
32 |
66 |
2900 |
18.5 |
5.0 |
|
100-200(I) |
100 |
96 |
26.7 |
53 |
69 |
2900 |
37 |
5.2 |
|
100-200(I)A |
100 |
84 |
23.3 |
48 |
64 |
2900 |
30 |
4.5 |
|
100-200(I)B |
100 |
60 |
16.7 |
43 |
72 |
2900 |
22 |
4.5 |
|
100-250(I) |
100 |
96 |
26.7 |
83 |
65 |
2900 |
55 |
4.8 |
|
100-250(I)A |
100 |
84 |
23.3 |
75 |
60 |
2900 |
45 |
4.5 |
|
100-250(I)B |
100 |
60 |
16.7 |
68 |
70 |
2900 |
37 |
4.5 |
|
100-350 |
100 |
60 |
16.7 |
153.6 |
72 |
2900 |
90 |
4.0 |
|
100-350A |
100 |
61 |
16.9 |
145.6 |
75 |
2900 |
75 |
4.0 |
|
100-350B |
100 |
58 |
16.1 |
138.6 |
75 |
2900 |
55 |
4.0 |
|
型號 |
口徑 |
流量 |
揚程 |
效率 |
轉速 |
電機功率 |
必需汽蝕余量 |
|
|
mm |
m3/h |
L/S |
m |
% |
r/min |
KW |
(NPSH)r |
|
|
125-100 |
125 |
96 |
26.7 |
13 |
82 |
2900 |
11 |
4.0 |
|
125-100A |
125 |
86 |
23.9 |
10.4 |
77 |
2900 |
7.5 |
4.0 |
|
125-125 |
125 |
96 |
26.7 |
22.6 |
80 |
2900 |
15 |
4.0 |
|
125-125A |
125 |
86 |
23.9 |
18 |
77 |
2900 |
11 |
4.0 |
|
125-160 |
125 |
96 |
26.7 |
36 |
78 |
2900 |
22 |
4.0 |
|
125-160A |
125 |
90 |
25 |
31.5 |
76 |
2900 |
18.5 |
4.0 |
|
125-160B |
125 |
83 |
21.7 |
27 |
73 |
2900 |
15 |
4.0 |
|
125-200 |
125 |
96 |
26.7 |
55 |
77 |
2900 |
37 |
5.5 |
|
125-200A |
125 |
90 |
25 |
48.4 |
76 |
2900 |
30 |
5.5 |
|
125-200B |
125 |
83 |
21.7 |
41.3 |
75 |
2900 |
22 |
5.5 |
|
125-250 |
125 |
96 |
26.7 |
87 |
75 |
2900 |
55 |
5.0 |
|
125-250A |
125 |
90 |
25 |
76 |
74 |
2900 |
45 |
5.5 |
|
125-250B |
125 |
83 |
21.7 |
65 |
73 |
2900 |
37 |
5.5 |
|
125-315 |
125 |
96 |
26.7 |
133 |
70 |
2900 |
90 |
5.0 |
|
125-315A |
125 |
90 |
25 |
117 |
70 |
2900 |
75 |
5.0 |
|
125-315B |
125 |
86 |
23.9 |
106.4 |
69 |
2900 |
75 |
5.0 |
|
125-315C |
125 |
80.5 |
22.4 |
96 |
67 |
2900 |
55 |
5.0 |
|
型號 |
口徑 |
流量 |
揚程 |
效率 |
轉速 |
電機功率 |
必需汽蝕余量 |
|
|
mm |
m3/h |
L/S |
m |
% |
r/min |
KW |
(NPSH)r |
|
|
150-125 |
150 |
96 |
26.7 |
22.6 |
66 |
2900 |
11 |
4.0 |
|
150-125A |
150 |
90 |
25 |
18 |
77 |
2900 |
7.5 |
4.0 |
|
150-160 |
150 |
96 |
26.7 |
36 |
75 |
2900 |
22 |
4.0 |
|
150-160A |
150 |
90 |
25 |
32 |
76 |
2900 |
18.5 |
4.0 |
|
150-160B |
150 |
84 |
23.3 |
27 |
73 |
2900 |
15 |
4.0 |
|
150-200 |
150 |
140 |
38.9 |
13.8 |
68 |
1450 |
15 |
3.0 |
|
150-200A |
150 |
125 |
34.7 |
11 |
66 |
1450 |
11 |
3.0 |
|
150-200B |
150 |
84 |
23.3 |
41 |
75 |
2900 |
22 |
4.0 |
|
150-250 |
150 |
140 |
38.9 |
21.8 |
73 |
1450 |
18.5 |
3.0 |
|
150-250A |
150 |
129 |
35.8 |
18.5 |
72 |
1450 |
15 |
3.0 |
|
150-250B |
150 |
117 |
32.5 |
15.2 |
76 |
1450 |
11 |
3.0 |
|
150-315 |
150 |
140 |
38.9 |
33.8 |
70 |
1450 |
30 |
2.5 |
|
150-315A |
150 |
131 |
36.4 |
29.5 |
69 |
1450 |
22 |
3.5 |
|
150-315B |
150 |
121 |
33.5 |
25 |
76 |
1450 |
18.5 |
3.5 |
|
150-350 |
150 |
96 |
26.7 |
153.6 |
80 |
2900 |
110 |
5.5 |
|
150-350A |
150 |
90 |
25 |
145.6 |
70 |
2900 |
90 |
5.2 |
|
150-350B |
150 |
84 |
23.3 |
138.6 |
65 |
2900 |
75 |
5.5 |
|
150-400 |
150 |
140 |
38.9 |
53 |
68 |
1450 |
45 |
3.5 |
|
150-400A |
150 |
131 |
36.4 |
46.6 |
67 |
1450 |
37 |
3.5 |
|
150-400B |
150 |
122 |
33.9 |
40 |
73 |
1450 |
30 |
3.5 |
|
150-400C |
150 |
112 |
31.1 |
34 |
71 |
1450 |
22 |
3.5 |
|
型號 |
口徑 |
流量 |
揚程 |
效率 |
轉速 |
電機功率 |
必需汽蝕余量 |
|
|
mm |
m3/h |
L/S |
m |
% |
r/min |
KW |
(NPSH)r |
|
|
150-250(I) |
150 |
120 |
33.3 |
87 |
65 |
2900 |
75 |
4.5 |
|
150-250(I)A |
150 |
112 |
31.1 |
76 |
64 |
2900 |
55 |
4.5 |
|
150-250(I)B |
150 |
104 |
28.9 |
65 |
63 |
2900 |
45 |
4.5 |
|
150-315(I) |
150 |
120 |
33.3 |
133 |
58 |
2900 |
110 |
4.5 |
|
150-315(I)A |
150 |
112 |
31.1 |
116 |
57 |
2900 |
90 |
4.5 |
|
150-315(I)B |
150 |
104 |
28.9 |
100 |
55 |
2900 |
75 |
4.5 |
|
型號 |
口徑 |
流量 |
揚程 |
效率 |
轉速 |
電機功率 |
必需汽蝕余量 |
|
|
mm |
m3/h |
L/S |
m |
% |
r/min |
KW |
(NPSH)r |
|
|
200-200 |
200 |
140 |
38.9 |
13.8 |
68 |
1450 |
15 |
3.0 |
|
200-200A |
200 |
125 |
34.7 |
11 |
66 |
1450 |
11 |
3.0 |
|
200-250 |
200 |
140 |
21.8 |
21.8 |
73 |
1450 |
18.5 |
3.0 |
|
200-250A |
200 |
129 |
18.5 |
18.5 |
72 |
1450 |
15 |
3.0 |
|
200-250B |
200 |
117 |
15.2 |
15.2 |
76 |
1450 |
11 |
3.0 |
|
200-315 |
200 |
140 |
33.8 |
33.8 |
70 |
1450 |
30 |
3.5 |
|
200-315A |
200 |
131 |
29.5 |
29.5 |
69 |
1450 |
22 |
3.5 |
|
200-315B |
200 |
121 |
25 |
25 |
76 |
1450 |
18.5 |
3.5 |
|
200-400 |
200 |
140 |
53 |
53 |
68 |
1450 |
45 |
3.5 |
|
200-400A |
200 |
131 |
46.6 |
46.6 |
67 |
1450 |
37 |
3.5 |
|
200-400B |
200 |
122 |
40 |
40 |
73 |
1450 |
30 |
3.5 |
|
200-400C |
200 |
112 |
34 |
34 |
71 |
1450 |
22 |
3.5 |
|
型號 |
口徑 |
流量 |
揚程 |
效率 |
轉速 |
電機功率 |
必需汽蝕余量 |
|
|
mm |
m3/h |
L/S |
m |
% |
r/min |
KW |
(NPSH)r |
|
|
200-200(I) |
200 |
280 |
77.8 |
13.4 |
70 |
1450 |
22 |
4.0 |
|
200-200(I)A |
200 |
250 |
69.4 |
10.7 |
68 |
1450 |
18.5 |
4.0 |
|
200-250(I) |
200 |
280 |
77.8 |
22.2 |
75 |
1450 |
30 |
4.0 |
|
200-250(I)A |
200 |
250 |
69.4 |
18 |
73 |
1450 |
22 |
4.0 |
|
200-250(I)B |
200 |
226 |
62.8 |
14.4 |
70 |
1450 |
18.5 |
4.0 |
|
200-315(I) |
200 |
280 |
77.8 |
36 |
73 |
1450 |
55 |
4.0 |
|
200-315(I)A |
200 |
262 |
72.8 |
31.5 |
72 |
1450 |
45 |
4.0 |
|
200-315(I)B |
200 |
242 |
67.3 |
27 |
78 |
1450 |
37 |
4.0 |
|
200-400(I) |
200 |
280 |
77.8 |
54.5 |
75 |
1450 |
75 |
4.0 |
|
200-400(I)A |
200 |
262 |
72.8 |
48 |
80 |
1450 |
75 |
4.0 |
|
200-400(I)B |
200 |
242 |
67.2 |
41.4 |
78 |
1450 |
55 |
5.0 |
|
200-400(I)C |
200 |
224 |
62.2 |
34.9 |
76 |
1450 |
45 |
5.0 |
|
型號 |
口徑 |
流量 |
揚程 |
效率 |
轉速 |
電機功率 |
必需汽蝕余量 |
|
|
mm |
m3/h |
L/S |
m |
% |
r/min |
KW |
(NPSH)r |
|
|
250-250 |
250 |
350 |
97.2 |
22 |
78 |
1450 |
45 |
5.0 |
|
250-250A |
250 |
300 |
83.3 |
18.3 |
76 |
1450 |
37 |
5.0 |
|
250-235 |
250 |
300 |
83.3 |
14 |
73 |
1480 |
22 |
4.5 |
|
250-300 |
250 |
300 |
83.3 |
22 |
78 |
1480 |
37 |
4.5 |
|
250-315 |
250 |
350 |
97.2 |
34 |
76 |
1450 |
75 |
5.5 |
|
250-315A |
250 |
300 |
83.3 |
29.5 |
74 |
1450 |
55 |
5.5 |
|
250-315B |
250 |
260 |
72.2 |
25 |
70 |
1450 |
45 |
5.5 |
|
250-400 |
250 |
300 |
83.3 |
54.5 |
72 |
1480 |
90 |
4.5 |
|
型號 |
口徑 |
流量 |
揚程 |
效率 |
轉速 |
電機功率 |
必需汽蝕余量 |
|
|
mm |
m3/h |
L/S |
m |
% |
r/min |
KW |
(NPSH)r |
|
|
300-235 |
300 |
480 |
133.3 |
20 |
77 |
970 |
55 |
5.0 |
|
300-235A |
300 |
438 |
121.7 |
16.5 |
75 |
970 |
45 |
5.0 |
|
300-235B |
300 |
400 |
111.1 |
14 |
73 |
970 |
37 |
5.0 |
|
300-300 |
300 |
480 |
133.3 |
31 |
77 |
970 |
75 |
5.0 |
|
300-300A |
300 |
444 |
123.3 |
26.5 |
76 |
970 |
75 |
5.0 |
|
300-300B |
300 |
415 |
115.3 |
23 |
79 |
970 |
55 |
5.0 |
|
300-380 |
300 |
480 |
133.3 |
48 |
84 |
970 |
132 |
5.0 |
|
300-380A |
300 |
444 |
123.3 |
41.4 |
80 |
970 |
110 |
5.0 |
|
300-380B |
300 |
409 |
113.6 |
35 |
78 |
970 |
90 |
5.0 |
|
300-235(I) |
300 |
718 |
199.4 |
44.6 |
82 |
1450 |
160 |
5.5 |
|
300-235(I)A |
300 |
642 |
178.3 |
35.7 |
80 |
1450 |
132 |
5.5 |
安裝示意圖
|
|
1 |
進口球閥 |
|
2 |
撓性接頭 |
|
|
3 |
直管 |
|
|
4 |
出口閘閥 |
|
|
5 |
泵 |
|
|
6 |
底座 |
|
|
7 |
水泥基座 |
柔性安裝
|
|
1 |
進口球閥 |
|
2 |
撓性接頭 |
|
|
3 |
直管 |
|
|
4 |
出口閘閥 |
|
|
5 |
泵 |
|
|
6 |
底座 |
|
|
7 |
JGD型減振器 |
|
|
8 |
水泥基座 |
1、安裝前應仔細檢查泵體流產內有無硬質物,以免運行時損壞葉輪和泵體。
2、安裝時管路理量不允許加在泵上,以免使泵變形,影響正常運行。
3、擰緊地腳螺栓,以免起動時振動對泵性能產生影響。
4、在泵的進、出口管路上安裝調節閥,在泵出口附近安裝壓力表,以控制泵在額定工況內運行,確保泵的正常使用。
5、排出管路如裝逆止閥應裝在閘閥的外面。
6、泵的安裝方式分為硬性聯接安裝和柔性聯接安裝。
ISW型臥式管道離心泵起動與停車
(一)運行中的維護與保養
1、進口管道必須充滿液體,禁止泵在汽蝕狀態下長期運行。
2、定時檢查電機電流值,不得超過電機額定電流。
3、泵進行長期運行后,由于機械磨損,使機組噪音及振動增大時,應停車檢查,必要時可更換易損件,機組大修期一般為一年。
(二)機械密封維護與保養
1、機械密封潤滑應清潔無固體顆粒。
2、嚴禁機械密封在干磨情況下工作。
3、起動前應盤動泵(電機)幾圈,以免突然起動造成密封環斷損壞。
4、密封泄漏允差3滴/分,否則應檢修。
故障原因及排除方法
|
故障現象 |
可能產生的原因 |
排除方法 |
|
1、水泵不出水 |
a、進出口閥門未打開,進出管路阻塞,葉輪流道阻塞。 |
a、檢查,去除阻塞物。 |
|
2、水泵流量不足 |
a、先按1。原因檢查。 |
a、先按1。排除。 |
|
3、功率過大 |
a、超過額定流量使用 |
a、調節流量關小閥門 |
|
4、雜音振動 |
a、管路支撐不穩。 |
a、穩固管路。 |
|
5、電機發熱 |
a、流量過大、超載運行。 |
a、關小出口閥。 |
|
6、水泵漏水 |
a、機械密封磨損。 |
a、更換。 |





